上海创嘉阀门有限公司

Shanghai Chuangjia Valve Co., Ltd

销售热线 :
13968966868

止回阀当前位置:首页产品中心  
HQ41X滑道滚球式止回阀



  • 产品参数

产品概述        

HQ41X滑道滚球式止回阀,采用橡胶包皮滚动球为阀瓣,在介质的作用下,可在阀体的整体式滑道上作上下滚动,从而打开或关闭阀门,密封性能好,消声时关闭,不产生水锤。阀体采用全水流通道,流量大,阻力小,水龙头损失比旋启式小50%,在水平或垂直安装即可,可用于冷水、热水、工业及生活污水管网,更适合潜水排污泵,介质温度0-80℃。可安装于水泵出水口处,以防止倒流及水锤对泵损害。


主要技术参数


公称压力(MPa)1.0-1.6Mpa
公称通径(DN)50-350mm
适用介质水及弱腐蚀性流体
适用温度0-80℃
法兰标准GB/T17241.6   GB/T9113
试验标准GB/T 13927   API 598


主要零部件材料

零件名称材料
阀体铸铁、球铁、铸钢
钢体外包橡胶


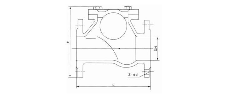
主要连接外形尺寸

公称通径DN(    mm)LH
50180180
65200210
80260245
100300280
125350335
150400400
200500495
250530610
300695715
350800820

关于我们
新闻动态
联系我们
  • 地址:上海市金山区枫泾工业园
  • 电话:13968966868  13585922678
  • 网站:http://www.yjcyfm.com
  • 销售总部:上海市大宁路
  • 邮编:200070
  • 开户:工沪行中山北路支行
  • 帐号:1001265009300168224
上海创嘉阀门有限公司 版权所有  沪ICP备2023006928号