上海创嘉阀门有限公司

Shanghai Chuangjia Valve Co., Ltd

销售热线 :
13968966868

止回阀当前位置:首页产品中心  
HH44X微阻缓闭止回阀



  • 产品参数

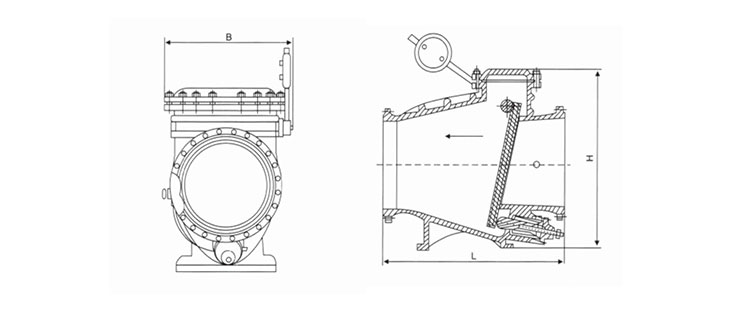
产品概述

HH44X微阻缓闭止回阀用于给排水管道,安装在水泵出口处用来防止介质逆流和消除破坏性水锤,并能有效地减少阀门关闭水锤压力,可保障管网安全运行。它具有阀瓣轻、开度大、节电效果显著,流体阻力小,水锤消除机构设计新颖,密封性能稳定可靠、耐磨损、使用寿命长、运行平稳、无振动、无噪声等特点。 


安装示意图


主要技术参数

公称压力  1.0~2.5MPa
公称通径   40~800mm
适用介质   水、弱腐蚀性液体
适用温度   0~80℃(如需要,可达200℃)
法兰标准   GB/T 17241.6、GB/T 9113
试验标准   GB/T 13927、API 598


主要零部件材料

零件名称材料
阀体、阀盖灰铸铁、铸钢
阀瓣钢板、橡胶组合件
阀轴不锈钢


主要连接外形尺寸

公称压力
     PN(MPa)
公称通径尺寸(mm)
公称通径
   DN(mm)
尺寸(mm)
DN(mm)LBLB
1.0    

1.6

2.5
40200300220300700730580
50230300270350800820630
65290320290400900920700
803103543004501000950800
10035035032050011001100900
12540038034060013001200990
150480500410700140015501120
200500580450800150017001300
250600670550




关于我们
新闻动态
联系我们
  • 地址:上海市金山区枫泾工业园
  • 电话:13968966868  13585922678
  • 网站:http://www.yjcyfm.com
  • 销售总部:上海市大宁路
  • 邮编:200070
  • 开户:工沪行中山北路支行
  • 帐号:1001265009300168224
上海创嘉阀门有限公司 版权所有  沪ICP备2023006928号